Skip to content Skip to sidebar Skip to footer

solusi untuk Resistor R517 terbakar atau gosong pada tv polytron

 

Cara mengatasi r517 terbakar di tv polytron

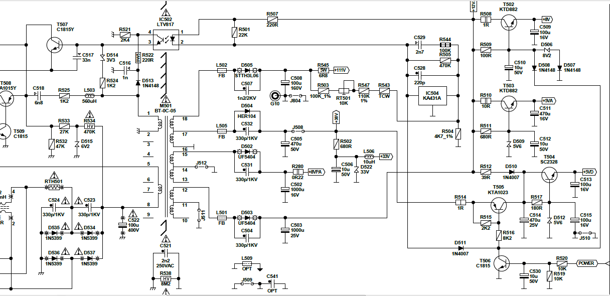
                                                            Gambar rangkaian tv ps52uv53

Asslamualaikum wr wb untuk semuanya

Cara Mengatasi R517 Terbakar di TV Polytron: Solusi Praktis untuk Masalah yang Sering Terjadi

Apakah Anda memiliki TV Polytron dan mengalami masalah terbakarnya R517 di perangkat Anda? Jika iya, artikel ini hadir untuk memberikan solusi praktis yang dapat membantu Anda mengatasi masalah tersebut. Terbakarnya komponen R517 pada TV Polytron adalah masalah umum yang dapat dihadapi oleh banyak pemilik perangkat ini. Namun, dengan langkah-langkah yang tepat, Anda dapat mengatasi masalah ini dan kembali menikmati pengalaman menonton TV tanpa hambatan.

Sebelum kita masuk ke langkah-langkah penyelesaiannya, penting untuk memahami apa itu komponen R517 dan mengapa terbakar menjadi masalah. R517 adalah resistor yang terletak di dalam TV Polytron dan berfungsi untuk mengatur arus listrik yang masuk ke perangkat. Jika komponen ini terbakar, dapat mengakibatkan gangguan pada jalur listrik internal TV dan menyebabkan kerusakan yang lebih serius jika tidak segera ditangani.

Berikut adalah beberapa langkah praktis yang dapat Anda ikuti untuk mengatasi masalah terbakarnya R517 di TV Polytron Anda:

1. Matikan TV dan Cabut Sambungan Listrik

Langkah pertama yang perlu Anda lakukan adalah mematikan TV Polytron dan mencabut sambungan listrik dari stopkontak. Hal ini penting untuk menjaga keselamatan Anda saat bekerja pada perangkat elektronik.

2. Periksa Komponen R517 yang Terbakar

Setelah memastikan TV tidak terhubung dengan sumber daya listrik, periksa dengan hati-hati komponen R517 yang terbakar di dalam perangkat. Perhatikan apakah ada tanda-tanda kerusakan lainnya di sekitar area tersebut. Jika ada, perlu juga diperiksa dengan seksama untuk menentukan penyebab terbakarnya komponen tersebut.

3. Dapatkan Pengganti R517 yang Sesuai

Setelah Anda mengetahui komponen yang terbakar, langkah selanjutnya adalah mendapatkan pengganti yang sesuai. Pastikan Anda membeli resistor yang memiliki nilai dan spesifikasi yang sama dengan R517 yang rusak. Anda dapat mencari pengganti resistor di toko elektronik lokal atau melalui toko online yang menyediakan komponen elektronik.

4. Ganti Resistor yang Terbakar

Setelah mendapatkan pengganti resistor, Anda dapat melanjutkan dengan menggantikan R517 yang terbakar. Pastikan Anda melakukan proses penggantian dengan hati-hati dan teliti. Jika Anda tidak yakin atau tidak memiliki pengetahuan teknis yang cukup, disarankan untuk meminta bantuan dari seorang ahli elektronik atau teknisi TV.

5. Uji TV Polytron Anda

Setelah Anda berhasil mengganti resistor yang terbakar, pasang kembali sambungan listrik dan nyalakan TV Polytron. Periksa apakah perangkat berfungsi dengan baik dan apakah masalah terbakar R517 telah teratasi. Jika TV masih mengalami masalah atau ada gejala lain yang muncul, sebaiknya Anda menghubungi layanan pelanggan resmi Polytron untuk mendapatkan bantuan lebih lanjut.

Dalam menghadapi masalah terbakarnya R517 di TV Polytron, penting untuk berhati-hati dan mengikuti langkah-langkah dengan benar. Jika Anda tidak yakin atau tidak memiliki pengetahuan teknis yang cukup, lebih baik meminta bantuan dari ahli atau teknisi yang berpengalaman. Memperbaiki TV sendiri dapat berisiko dan dapat menyebabkan kerusakan yang lebih serius jika tidak dilakukan dengan benar.

Dalam kesimpulan, dengan tindakan yang tepat dan mengikuti langkah-langkah yang disarankan, Anda dapat mengatasi masalah terbakarnya R517 di TV Polytron. Namun, jika masalah ini terjadi berulang kali atau Anda mengalami kesulitan dalam memperbaiki sendiri, disarankan untuk mencari bantuan dari layanan pelanggan resmi Polytron atau teknisi terpercaya.

kasus kerusakan 

Pada kesempatan ini saya akan shareing pengalaman saya lewat tulisan ini terkait dengan penyebab kerusakan terbakarnya r517 di tv polytron. Dulu waktu saya di polytron ,tanpa melakukan pengukuran banyak jika di temukan r517 ini terbakar agan bisa langsung ganti tiga tr berikut ini antara lain t506,t504, dan t505 ,dan dz512 =5v6 ganti tapi pastikan dulu b+ normal ya ,dan penggantian tr 3 itu sama r517 = 180 ohm ini bisa dibilang sifatnya harus gitu ya , tapi yang namanya kita service gitu y kadang tidak hanya itu yang berpotensi untuk keruskannnya jika itu belum bisa selesai cek juga komponen ini. Cek juga d512 =5v6 jika sobat temukan c mencurigakan ganti aja ya sob.


cara kerja stanby dan on

Nah untuk kronologi rusaknya ,ini salah satunya sob ya ,pada saat stanby t506 ini mendapat tegangan power dari micom yang menyebabkan tr ini aktif dan menggroundkan optocoupler melalui d511 yang menyebabkan tegangan keluar separuh atau stanby



Pada posisi stanby karena d511 kondisi di groundkan yang menyebabkan tidak ada tegangan di basis t505 artinya tr ini kondisi blm aktif atau off. Pada saat stanby t505 selalu aktif karena dia penguat tegangan 5 volt untuk micom ,jadi dia mendpatkan tegangan dari d503 dengan c filter c503 =1000uf 25v dan di d510 ketika stanby tegangannya berkisar antara 10 sampe 12 volt.




Ketika on t506 mati atau off yang menyebabkan t505 aktif karena ada tegangan basisnya dan disini terjadi pemindahan tegangan suply 5 volt ini dimana ketika on dia di supply dari d504 yaitu tegangan 38volt dengan c filter c505 .

Kenapa r517 terbakar?

penyebab rusaknya r517

                Dari penjelasan di atas dan lihat dari rangkaian dapat di analisa yang paling tersangka rusak adalah t505 karena ada kemungkinan tr ini bocor tidak dapat memindahkan tegangan dengan baik yang akhirnya menyebabkan r517 terbakar. Dan untuk penyebab lainnya yang berpotensi juga ada di tiga tr yang saya sebutkan di atas.

Dan sampai disini dulu ,nanti saya akan update pengalam tentang kerusakan yang lainya juga ,ok teriumakasih dan wassalam











Post a Comment for "solusi untuk Resistor R517 terbakar atau gosong pada tv polytron"